13. Elektrische Ladung, elektrischer Strom, elektrisches Potenzial

13.1 Elektrische Ladung und elektrischer Strom
1. In einem Elektrolyten fließen 2 ·1015 Na+-lonen pro Sekunde nach rechts und 1 ·1015 Cl-Ionen pro Sekunde nach links. Wie groß ist die elektrische Stromstärke? (Elementarladung e = 1,6 ·10–19 C)





2. Ein Metallkügelchen pendelt zwischen zwei vertikalen Platten, die an eine Hochspannungsquelle angeschlossen sind, hin und her. Die elektrische Ladung, die auf ihm sitzt, hat den Betrag 5 nC. Das Kügelchen macht 30 Hin- und 30 Herbewegungen pro Sekunde.
(a) Warum pendelt das Kügelchen?
(b) Wieviel zeigt das Amperemeter an?

Lösung:


(a) Das (z.B.) positiv geladene Kügelchen wird vom Feld zur negativ geladenen Platte gezogen. Dort gibt es seine positive Ladung ab und wird negativ geladen. Weil es negativ geladen ist, wird es dann vom Feld zur positiv geladenen Platte hingezogen, wo es wieder umgeladen wird, usw.
(b)
I = 2 · 5 nC · 30 s–1 = 0,3 μA

3. Ein einfacher elektrischer Stromkreis. Was fließt? Welchen Weg fließt es? Symbole und Maßeinheiten der strömenden Größen und der Stromstärken?

4. Erkläre in Worten die Bedeutung der physikalischen Größen „elektrische Stromstärke“ und „elektrische Stromdichte“.

5. Von welchen Eigenschaften eines Drahtes hängt sein elektrischer Widerstand ab? Formuliere, wenn möglich, „Je-desto-Sätze“.


6. Wie lautet das lokale Ohmsche Gesetz? Erkläre seine Aussage in Worten.

7. Die Lampen sind gleich gebaut. Was zeigen die beiden rechten Amperemeter an?





8. Eine Glühlampe trägt die Aufschrift 12V/3A.

Die Lampe wird nun nicht mit 12 V, sondern mit 6 Volt betrieben. Ist jetzt die elektrische Stromstärke kleiner, gleich oder größer als 1,5 A? Begründe.

Lösung:
Die Stromstärke ist größer als 1,5 A. Sie wäre 1,5 A, wenn die Kennlinie eine Gerade wäre.
Für
U = 6 V liegt der Stromstärkewert oberhalb einer Gerade, die durch den Punkt [U = 12 V; I = 3 A] läuft.

13.2 Das elektrische Potenzial
1. Die Lampen sind gleich gebaut. Was zeigen die beiden rechten Voltmeter an? 






2. Vier 1,5-Volt-Monozellen. Welches sind die Potenziale der Leitungsabschnitte?




Lösung:
Von links nach rechts: 0V; – 1,5 V; 0 V; 1,5 V; 0 V


3. Eine 4,5-Volt-Batterie.
Was zeigen die beiden Messinstrumente an?





Lösung:
Amperemeter: 0 A; Voltmeter: 4,5 V (Es wird davon ausgegangen, dass das Voltmeter einen sehr hohen Innenwiderstand hat.)

4. (a). Linkes Teilbild: Die Batterie erzeugt eine Spannung von 12 V. Die Lampen sind gleich gebaut.
Welches sind die Potenziale der einzelnen Leitungsabschnitte? Wie leuchten die Lampen?
   (b) Rechtes Teilbild: Der Schalter wurde geschlossen. Was ändert sich im Vergleich zu (a)?






Lösung:







Linkes Teilbild: Die rechte Lampe leuchtet nicht, die drei anderen leuchten gleich hell.
Rechtes Teilbild: Die beiden linken Lampen leuchten heller als vorher, die anderen leuchten weniger hell, als die, die im Fall (a) geleuchtet haben. 

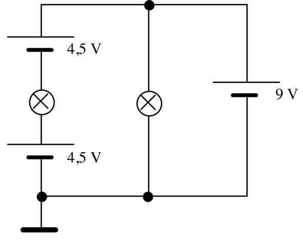
5. Die 4,5-V-Batterien sind gleich gebaut und gleich geladen. Das Lämpchen verträgt 9 V.

Wie ist das elektrische Potenzial an den Stellen A, B und C?

Leuchtet das Lämpchen?








Lösung:








A: 0 V, B und C: 4,5 V. Das Lämpchen leuchtet nicht.


6. Wie sind die elektrischen Potenziale der einzelnen Leitungsabschnitte? Leuchten die Lämpchen?








Lösung:








rot: 0 V, grün: 4,5 V, blau: 9 V
An der linken Lampe liegteine Spannung von 0 V; sie leuchtet nicht. Die rechte leuchtet.

7. 9-V-Batterie, 4,5-V-Lämpchen. Wie sind die Potenziale von A und B? Leuchten die Lämpchen?




Lösung:



A: 4,5 V, B: –4,5 V. Die Lämpchen leuchten normal.


8. Drei gleichartige Batterien und drei gleiche Lampen. Jede Batterie liefert 4,5 V. Wie leuchten die Lampen (alle gleich, unterschiedlich oder gar nicht)? Gib die Potenzialwerte für alle Leitungsabschnitte an (farbig markieren). Was zeigt das Voltmeter an?





Lösung:




Rot: 0 V, blau: 4,5 V. An jeder Lampe liegt eine Spannung von 4,5 V. Die drei Lampen leuchten gleich hell.


9. Markiere Stellen gleichen Potentials farbig. Gib die Potentialwerte der Leiterabschnitte an. Welche Spannung liegt an der Lampe? Was hältst du von der Schaltung? (Die Batterien sind gleichartig gebaut und liefern je 4,5 V.)




v



Lösung:
A: 0 V; B: –4,5 V; C: 0 V. Die Spannung an der Lampe beträgt 0 V. Die Schaltung ist unsinnig.


10. Soweit nicht anders bezeichnet, haben in den folgenden Schaltungen alle Spannungsquellen 9 V und alle Lampen sind baugleich.

(a) Kennzeichne Stellen gleichen Potenzials in gleicher Farbe.
(b) Bestimme die Potenziale.
(c) Zeichne jeweils die Schaltung mit geschlossenem Schalter und bestimme die Potenziale.
(d) Was kann man beim Schließen des Schalters beobachten?






Lösung:














11. Warum kann man eine Batterie als Elektrizitätspumpe bezeichnen?


12. Was zeigt das Voltmeter an?









Lösung:
10,5 V

Lorem ipsum dolor sit amet, consectetur adipiscing elit. Aliquam tincidunt lorem enim, eget fringilla